The torque sensor is a precision measuring instrument used to measure various torques, speeds and mechanical power. The torque sensor measures the change in bridge resistance by attaching a strain gauge to the elastic shaft and causing the deformation when subjected to torque.
High measurement accuracy: It can meet the requirements of laboratories, industrial tests and other scenarios with strict requirements on data accuracy (such as engine performance calibration and precision mechanical transmission testing).
Excellent sensitivity: Capable of capturing tiny torque changes and outputting stable signals even under low loads, making it suitable for fine control fields such as micro-motors and robot joints.
Good stability and strong anti-interference ability: Some models have anti-electromagnetic interference (EMI) and temperature compensation functions, and can still work stably in strong magnetic fields and temperature fluctuations (-40℃~120℃) (such as industrial production lines and automobile engine compartments).
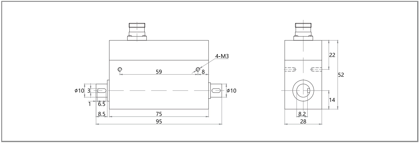
Flexible installation: Compact in size, mostly installed with flange ,pin or single flange.It can be directly connected in series in the measured shaft system without major changes in the equipment structure.
EN












