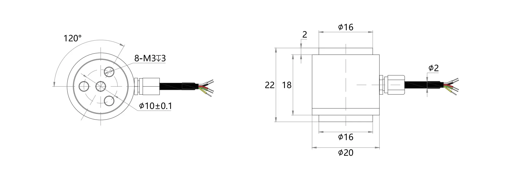
Based on the optimized design of mechanical conduction, the column/cylinder design is adapted to small spaces, and the high-strength material is suitable for heavy mechanical load measurement.
Compact and integrated structure: modular structure design, which is suitable for narrow installation space.
High strength and compression resistance: Made of stainless steel, the overload resistance capacity can reach 200% of the rated load, and there is no plastic deformation after long-term use.
Excellent dynamic response: Adopting full-bridge circuit of strain gauges and high-speed signal conditioning technology, it can capture the transients changes of force values in real time and meet the measurement needs of dynamic working conditions .Dynamic response frequency is ≤2000Hz, which can effectively cover medium and high frequency dynamic force signals (such as mechanical vibration and pulse load).
EN



















