Structural Features: The force - bearing surface is a flat structure, which can be directly attached to the measured objects (such as yarns, thin films, micro - parts), reducing the force transmission error caused by the contact mode.
Features:
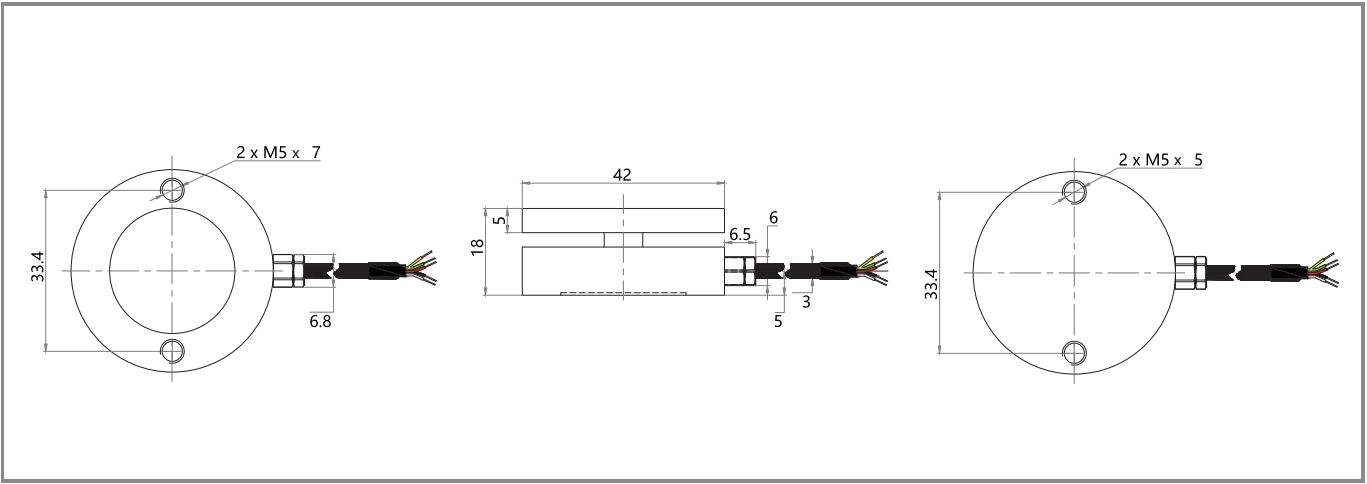
1. Compact structure, small size, can adapt to narrow spaces (such as chip welding stations, micro-manipulator end).
2. High precision and high sensitivity to meet micro-force requirements. The sensitive element converts the tiny force value into a detectable electrical signal through the local deformation amplification effect of the elastic body, and the response speed is fast.
3. Multi-directional force measurement capability to adapt to complex scenarios: In the assembly of micro parts, it can real - time monitor the lateral offset force and vertical pressure when parts are in contact, avoiding assembly misalignment.
EN



















